| 產品型號 |
Z-EFG-50PECT |
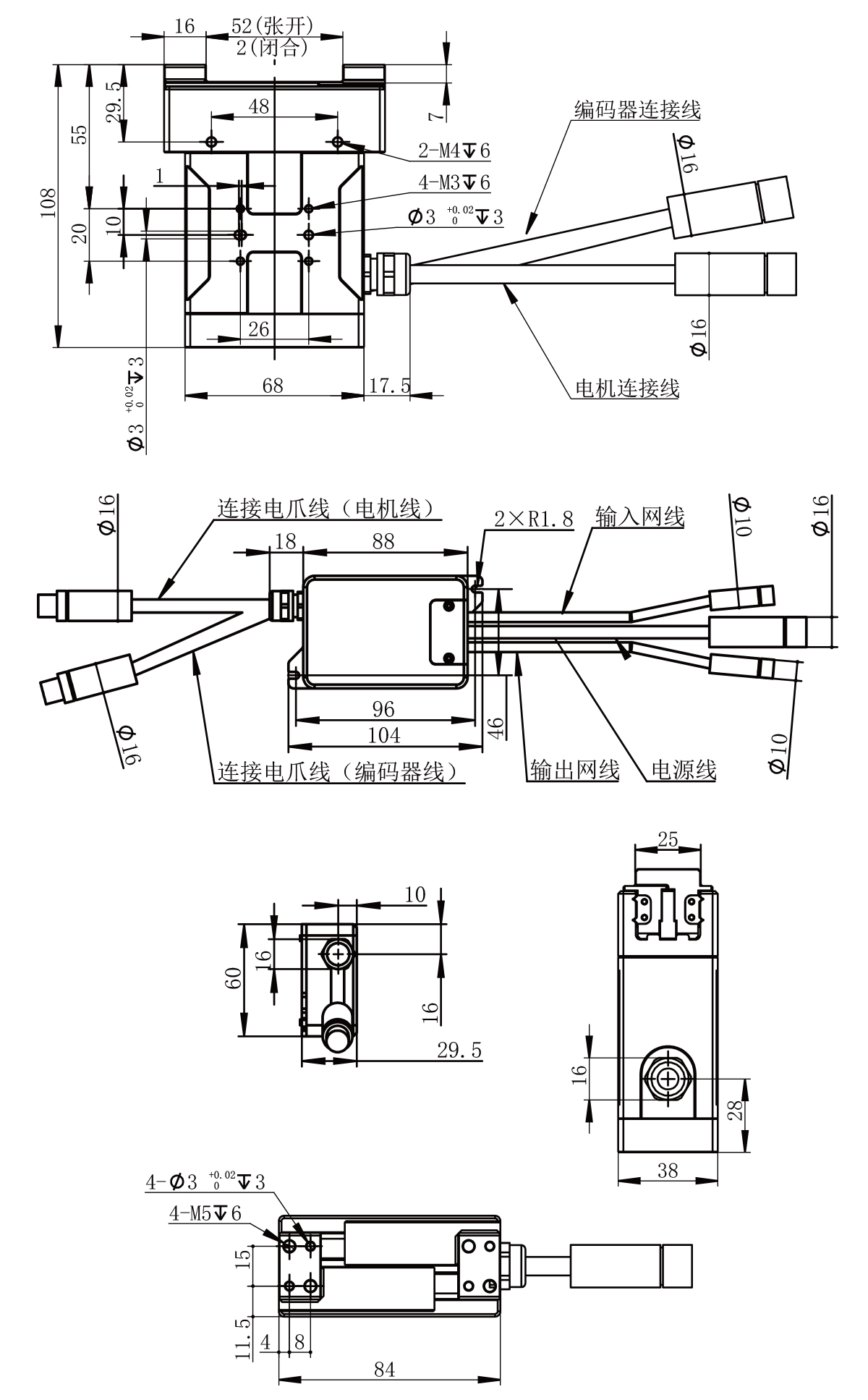
| 總行程 |
50mm(可調) |
| 夾持力 |
15-50N(可調) |
| 重復定位精度 |
±0.02mm |
| 推薦夾持重量 |
≤0.5kg |
| 傳動方式 |
齒輪齒條+鋼珠導軌 |
| 控制方式 |
Ether CAT(外置驅動,不占用PLC軸位) |
| 單向行程運動最短時間 |
0.3s |
| 運動方式 |
二指平動 |
| 重量 |
1kg |
| 尺寸規格 |
84*38*108mm |
| 工作電壓 |
24V±10% |
| 額定電流 |
0.5A |
| 峰值電流 |
2A |
| 功率 |
12W |
| 防護等級 |
IP40 |
| 電機類型 |
伺服電機 |
| 使用溫度范圍 |
5~55℃ |
| 使用濕度范圍 |
35~80%RH(不結霜) |
| 出線規格 |
本體線長2m,編碼器8芯線、電源5芯線 |
備注:由于產品不斷推新迭代,產品參數如有變更,恕不另行通知。