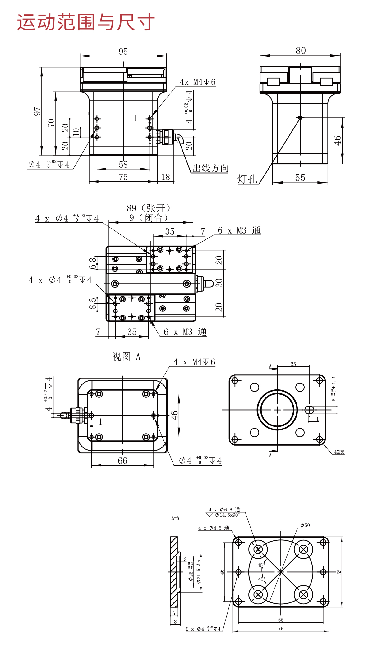
| 產品型號 |
Z-EFG-C80 |
| 總行程 |
80mm(可調) |
| 夾持力 |
40-140N(可調) |
| 重復定位精度 |
±0.02mm |
| 推薦夾持重量 |
≤3kg |
| 傳動方式 |
齒輪齒條+減速箱 |
| 運動元件油脂補給 |
每六個月或者動作一百萬次/回 |
| 單向行程運動最短時間 |
0.6s |
| 運動方式 |
二指平動 |
| 重量 |
1.5kg |
| 尺寸規格 |
95*80*97mm |
| 工作電壓 |
DC24V±10% |
| 額定電流 |
0.8A |
| 峰值電流 |
2A |
| 功率 |
20W |
| 防護等級 |
IP40 |
| 電機類型 |
伺服電機 |
| 使用溫度范圍 |
5~55℃ |
| 使用濕度范圍 |
35~80%RH(不結霜) |
| 出線規格 |
線長2m,12芯線 |
備注:由于產品不斷推新迭代,產品參數如有變更,恕不另行通知。